SUBSCRIBE TO OUR NEWSLETTER
Get the latest updates on new products and upcoming sales
Available 24/7 at
+91 9978890782




Cash on Delivery
Available
Free Delivery
Across India
7-Day Return
Easy Returns
Urja Enterprise
Fast Delivery
Secure Payment
100% Safe
Code: GET20PREPAID
Code: GET20PREPAID
Code: GET15
Couldn't load pickup availability
Free standard shipping on orders.
Estimated to be delivered on 12/01/2022 - 15/10/2022.
You may return most new, unopened items within 30 days of delivery for a full refund. We'll also pay the return shipping costs if the return is a result of our error (you received an incorrect or defective item, etc.).
You should expect to receive your refund within four weeks of giving your package to the return shipper, however, in many cases you will receive a refund more quickly. This time period includes the transit time for us to receive your return from the shipper (5 to 10 business days), the time it takes us to process your return once we receive it (3 to 5 business days), and the time it takes your bank to process our refund request (5 to 10 business days).
If you need to return an item, simply login to your account, view the order using the "Complete Orders" link under the My Account menu and click the Return Item(s) button. We'll notify you via e-mail of your refund once we've received and processed the returned item.
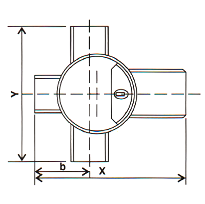
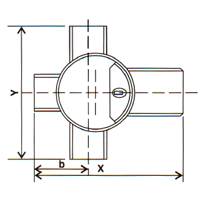
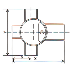
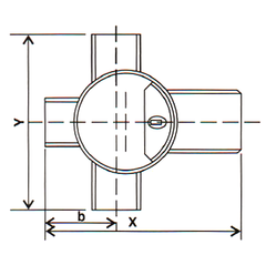
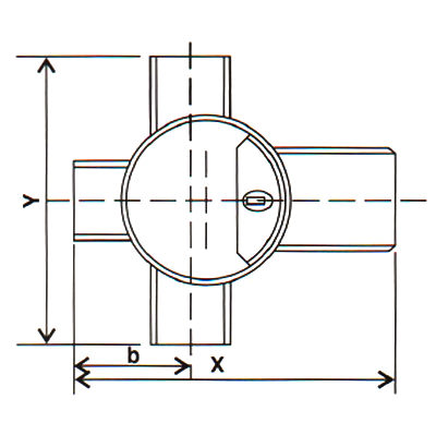
The Finolex SWR Multi Floor Trap with Jali (grated cover) is a professional plumbing fitting that drains wastewater from fixtures like bathrooms and washbasins into the main pipeline, while effectively preventing foul odors. It's crafted for durability, leak-resistance, and easy installation, and works seamlessly with Finolex SWR pipes or other standard SWR systems.
| Size (mm) | Size (Inch) | Y (mm) | b (mm) | X (mm) |
|---|---|---|---|---|
| 110 × 75 | 4″ × 2½″ | 180.00 | 90.00 | 190.00 |
Get the latest updates on new products and upcoming sales
Thanks for subscribing!
This email has been registered!